Yılmazoğulları Değirmen

İletişim

ASPRATÖR

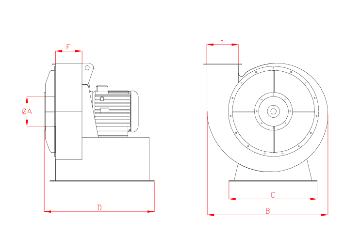
Hava ihtiyacı olan tüm makinelerle kombine olarak çalışan Toz Aspiratörü, un öğütme tesislerinde hava kaynağı olarak kullanılmaktadır. Makine, içinde oluşturulan hava akımı aracılığıyla buğdaydan toz, saman gibi hafif maddeleri emerek toplamakta ve toz siklona göndermektedir.Motor akuple olarak çalışmaktadır.
ASPRATÖR

YILMAZ OĞULLARI

Teknik Tablo

Teknik Tablo

MODEL TİPİ Teknik Özellikler Ölçüler (mm) Ağırlık (kg)
Motor Gücü Devir
(kW) (rpm) ØA B C D E F
YMS ASP40 4 1500 250 770 345 710 210 230 230
YMS ASP55 5,5 1500 250 820 410 900 260 300 275
YMS ASP75 7,5 1500 290 850 410 1000 300 400 275
YMS ASP110 11 1500 430 1330 460 1020 480 450 350
YMS ASP150 15 1500 450 1400 550 1020 580 450 325
YMS ASP185 18,5 1500 467 1530 550 1200 500 500 410
YMS ASP220 22 1500 500 1550 700 1300 680 500 525
YMS ASP300 30 1500 600 1600 700 1470 700 650 600

ASPRATÖR

YÜKSEK KALİTE

ASPRATÖR

ASPİRATÖR, un öğütme tesislerinde hava ihtiyacı olan tüm makinelerle kombine olarak çalışan, yüksek performanslı ve çok amaçlı bir hava taşıma ve toz toplama sistemidir. Bu makine, içinde oluşturulan güçlü hava akımı sayesinde buğdaydan oluşan toz, saman ve benzeri hafif partikülleri etkili bir şekilde emer ve sistemde bulunan toz siklona yönlendirir. Böylece hem üretim hattında temiz ve sağlıklı bir çalışma ortamı sağlanır hem de ürün kayıpları minimuma indirilir. Aspiratörün motoru akuple olarak çalışacak şekilde tasarlanmış olup, bu sayede makine hattına entegre edilmesi ve çalıştırılması son derece pratiktir. Sağlam gövde yapısı ve yüksek performanslı motoru, uzun süreli yoğun üretim koşullarında dahi sorunsuz operasyon imkânı sunar. Sistem, un öğütme tesislerinde havalandırma ve toz toplama ihtiyaçlarını tek bir ünite ile karşılayarak işletmelerin enerji ve iş gücü maliyetlerini düşürmesine yardımcı olur. Eğer siz de üretim hattınızda hava akışını kontrol altında tutmak, toz ve hafif maddeleri güvenli biçimde toplamak ve üretimde süreklilik sağlamak istiyorsanız, Aspiratör ile tesisinizde daha verimli, temiz ve güvenli bir çalışma ortamı oluşturabilirsiniz.

Sıkça Sorulan Sorular

Yılmazoğulları değirmen makineleri hangi hammaddelerin işlenmesinde kullanılabilir?

Yılmazoğulları olarak, un üretiminden yem fabrikalarına, baharat öğütmeden mineral bazlı ürünlerin parçalanmasına kadar geniş bir yelpazede kullanılabilen değirmen makineleri üretmekteyiz. Sistemlerimiz; buğday, arpa, mısır gibi tahılların yanı sıra mercimek, nohut, karabiber, kaya tuzu ve kalsit gibi farklı granül ve mikronize ürünlerin verimli şekilde işlenmesini sağlar.

Enerji tasarrufu, Yılmazoğulları ’nın tasarım ve mühendislik sürecinde öncelik verdiği temel kriterlerden biridir. Kullandığımız özel motor teknolojileri, akıllı frekans kontrol sistemleri ve optimize edilmiş rotor-geçiş tasarımları sayesinde, üretim kapasitesinden ödün vermeden düşük enerji tüketimi elde edilmektedir. Bu sayede, işletme maliyetlerinizi minimize ederken çevresel sürdürülebilirliği de desteklemiş olursunuz.

Yılmazoğulları , satış sonrası teknik destek süreçlerinde müşterilerini yalnız bırakmaz. Tüm makinelerimiz, uzman mühendislerimiz eşliğinde yerinde kurulmakta ve operatör eğitimiyle birlikte devreye alınmaktadır. Ayrıca, yedek parça temini, bakım protokolleri ve uzaktan destek hizmetleriyle operasyonel sürekliliğiniz güvence altına alınır.

İLETİŞİM

KATALOG

Dayanıklı Yapı

High-strength steel for heavy-duty load capacity.

Güçlü Performans

Compatible with mechanical and air suspension systems.

Kolay Bakım

Long-lasting with minimal upkeep.

Uluslararası Standartlar

Meets global quality and safety certifications.

The Steering Axle Group is a crucial component in vehicles, responsible for enabling smooth and controlled steering.
© 2026 Yılmazoğulları Değirmen. Telif hakkı ve hakları saklıdır.

FİYAT TEKLİFİ AL